Files
Files shared with the group
Page 1 of 3.
| Folder | Title | Preview | Description | Size | Asset |
|---|---|---|---|---|---|
| /Analog Claptrap/ | Please Read | FILE | 456 B | Open | |
| /Analog Claptrap/ | circuitboard_claptrap.jpg |
|
The upper side of Musicaid Claptrap (early model) circuitboard. | 467.7 KB | Open |
| /Analog Claptrap/ | circuitboard_claptrap_semiconductors_ic.jpg |
|
The upper side of Musicaid Claptrap (early model) circuitboard with all semiconductor names and supposed cross reference to schematic. | 331.6 KB | Open |
| /Analog Claptrap/ | clap_trap.jpg |
|
Simmons Analog Clap Trap schematic. There is no attribution or copyright on the schematic. I assume this was distributed by Simmons as an aid to service engineers, and is therefore freely distributable. | 1.5 MB | Open |
| /Analog drum synth MP3 by Thierry EPPHERRE/ | 100_1787.jpg |
|
My analog drum synth prototype | 1.9 MB | Open |
| /Analog drum synth MP3 by Thierry EPPHERRE/ | My analog tom1.mp3 | MP3 | Demonstration of an analog drum synth | 1.9 MB | Open |
| /Analog drum synth MP3 by Thierry EPPHERRE/ | My analog tom2.mp3 | MP3 | Demonstration of an analog drum synth | 2.6 MB | Open |
| /Analog drum synth MP3 by Thierry EPPHERRE/ | drumsynth 24dB ota VCF!!s.mp3 | MP3 | My drumsynth with a 24dB ota based type VCF for filtering noise (and click noise) played with my converted meschhead snare drum. | 3.5 MB | Open |
| /Analog drum synth MP3 by Thierry EPPHERRE/ | drumsynth moog VCF!!s.mp3 | MP3 | My drumsynth with a Moog type VCF for filtering noise (and click noise) played with my converted meschhead snare drum. | 3.7 MB | Open |
| /Analog drum synth MP3 by Thierry EPPHERRE/ | drumsynth steiner VCF!!s.mp3 | MP3 | My drumsynth with a Steiner type VCF for filtering noise (and click noise) played with my converted meschhead snare drum. | 2.4 MB | Open |
| / | Bright Tom Distort.wav | WAV | "Bright Tom" EPROM played in SDS1 with distortion issues. | 564.0 KB | Open |
| / | Click SDS7.wav | WAV | SDS7 Click only, filter wide open. | 1.9 MB | Open |
| / | Dave-Simmons-interview.pdf | Dave Simmons interview from 'The Complete Electronic Percussion Book' | 1.1 MB | Open | |
| /Images/ | MTM Cassette interface.jpg |
|
sketch of MMT8 cassette interface | 20.3 KB | Open |
| /Images/ | Simmons Catalog.pdf | 4.7 MB | Open | ||
| /Images/ | Simmons Product Brochure.pdf | Simmons Product Brochure/SDS7/SDS9/Pads/Stands and Accessories | 4.4 MB | Open | |
| /Images/ | simmons cymbal.jpg |
|
561.0 KB | Open | |
| /Images/ | simmons suitcase.jpg |
|
604.4 KB | Open | |
| / | LinnDrum Samples for SDS7.zip | ZIP | LinnDrum samples converted from the original ROM images into Simmons' linear format to be used in the SDS1, SDS7, and SDS9. | 103.5 KB | Open |
| /MTM LCD Replacement/ | MTM-LCD-1.jpg |
|
New backlit LCD installed | 811.2 KB | Open |
| /MTM LCD Replacement/ | MTM-LCD-2.jpg |
|
Success! | 1.1 MB | Open |
| /MTM LCD Replacement/ | rack.jpg |
|
Much better now | 1.1 MB | Open |
| /Manuals/ | Manuals wanted! | FILE | We need manual scans. | 78 B | Open |
| /Manuals/ | SDS 1 Operating Inst.PDF | SDS 1 Operating Instructions | 2.4 MB | Open | |
| /Manuals/ | SDS 9 sm.pdf | SDS 9 Service Manual (not complete) | 877.9 KB | Open | |
| /Manuals/ | SDS EPB Manual.PDF | SDS 1 Manual | 4.0 MB | Open | |
| /Manuals/ | SDS-V_SM.pdf | Simmons SDS V Service Manual | 4.1 MB | Open | |
| /Manuals/ | SDS1000 midi.txt | TXT | SDS1000 midi upgrade | 906 B | Open |
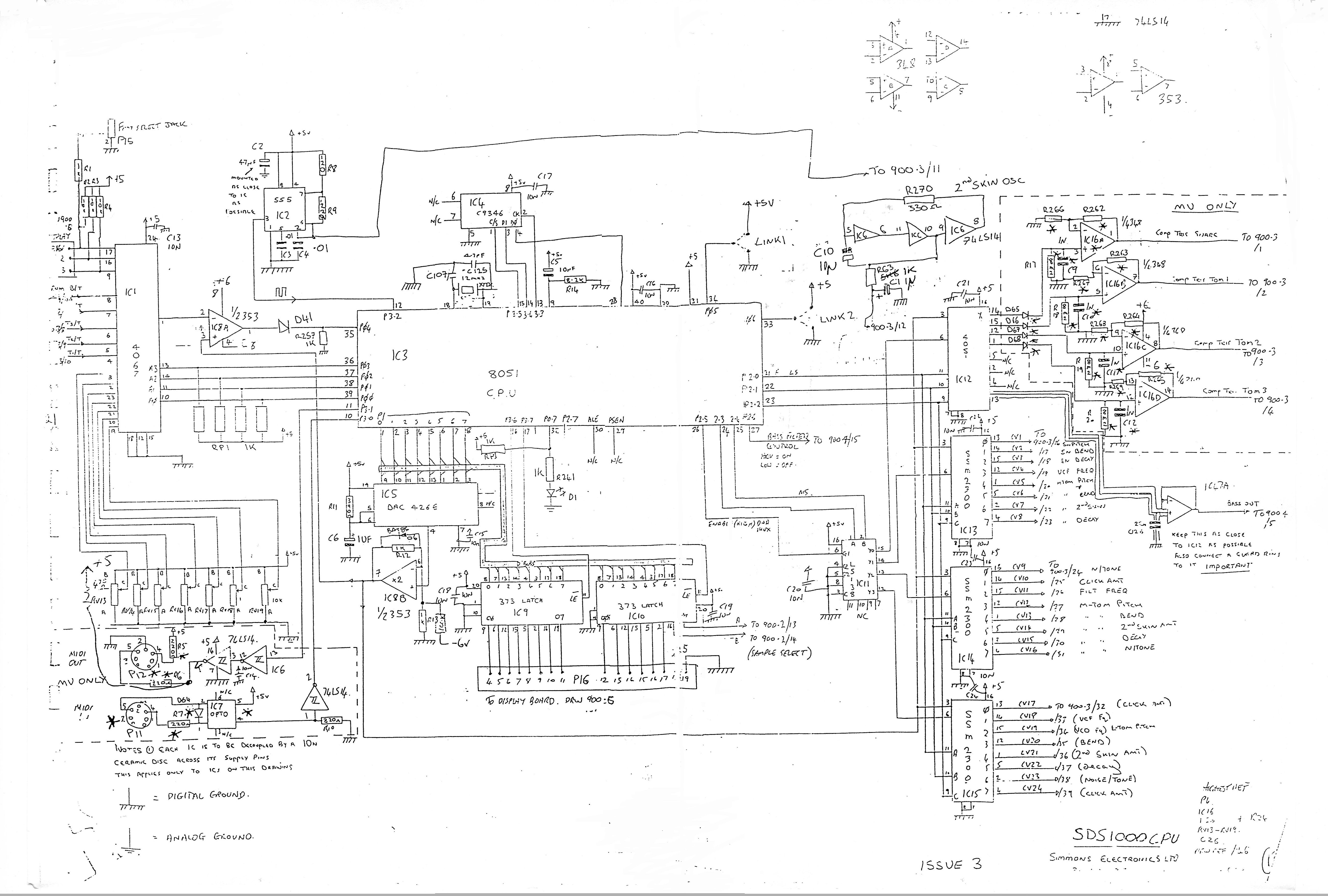
| /Manuals/SDS1000 service manual/ | SDS1000 SM P19 Computer cct.jpg |
|
Processor circuit diagram | 1.5 MB | Open |
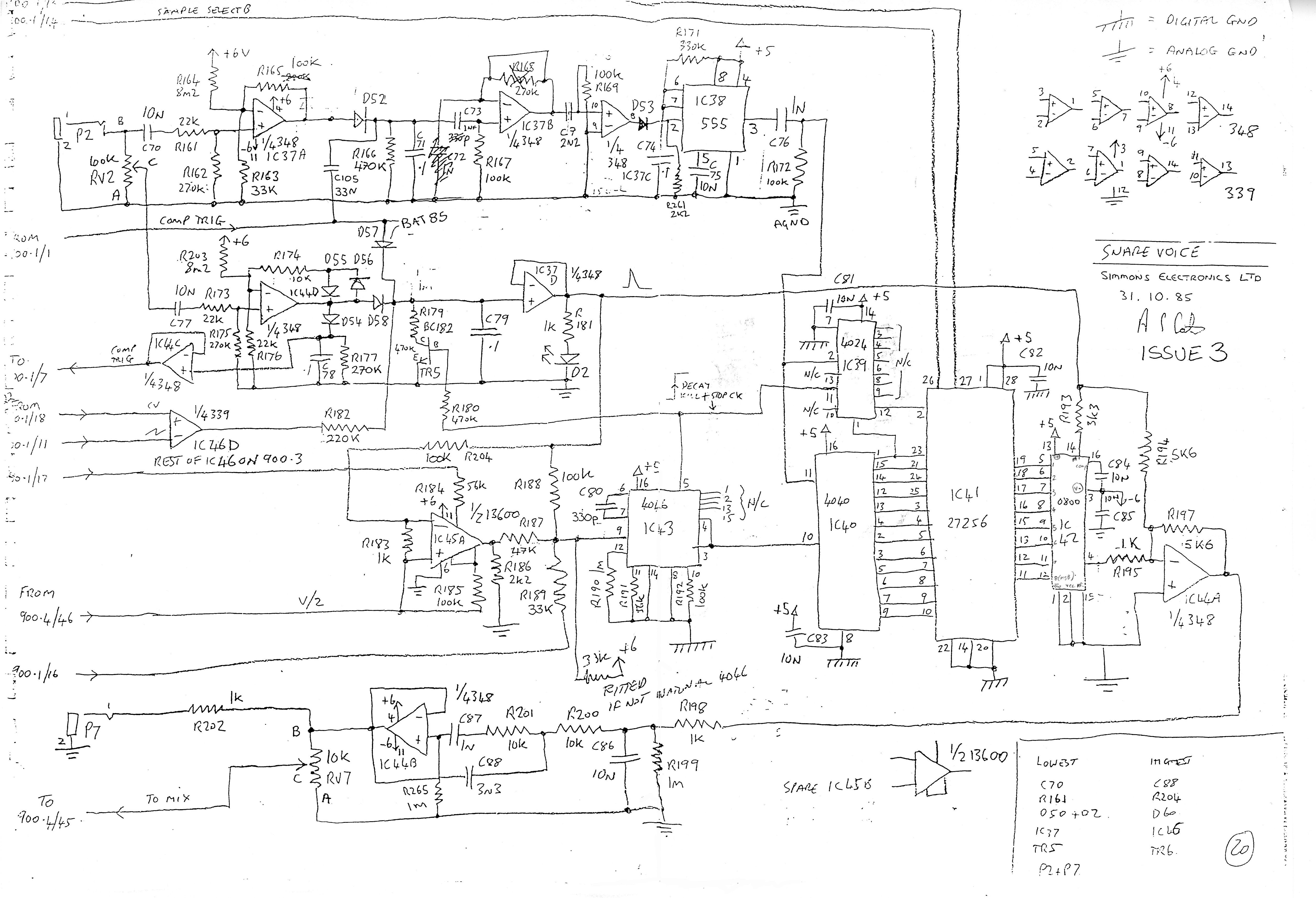
| /Manuals/SDS1000 service manual/ | SDS1000 SM P20 Snare drum cct.jpg |
|
1.3 MB | Open | |
| /Manuals/SDS1000 service manual/ | SDS1000 SM P21 tom tom voice cct.jpg |
|
1.2 MB | Open | |
| /Manuals/SDS1000 service manual/ | SDS1000 SM P22 Output cct.jpg |
|
Includes bass circuit, mixer and noise generator | 1.9 MB | Open |
| /Manuals/SDS1000 service manual/ | SDS1000 SM P23 PSU cct.jpg |
|
Power supply | 613.6 KB | Open |
| /Manuals/SDS1000 service manual/ | SDS1000 SM P24 Display cct.jpg |
|
Leds & switches | 600.6 KB | Open |
| /Manuals/SDS1000 service manual/ | SDS1000 SM P25 Component layout.jpg |
|
1.4 MB | Open | |
| /Manuals/SDS1000 service manual/ | SDS1000_service_manual.pdf | 5.9 MB | Open | ||
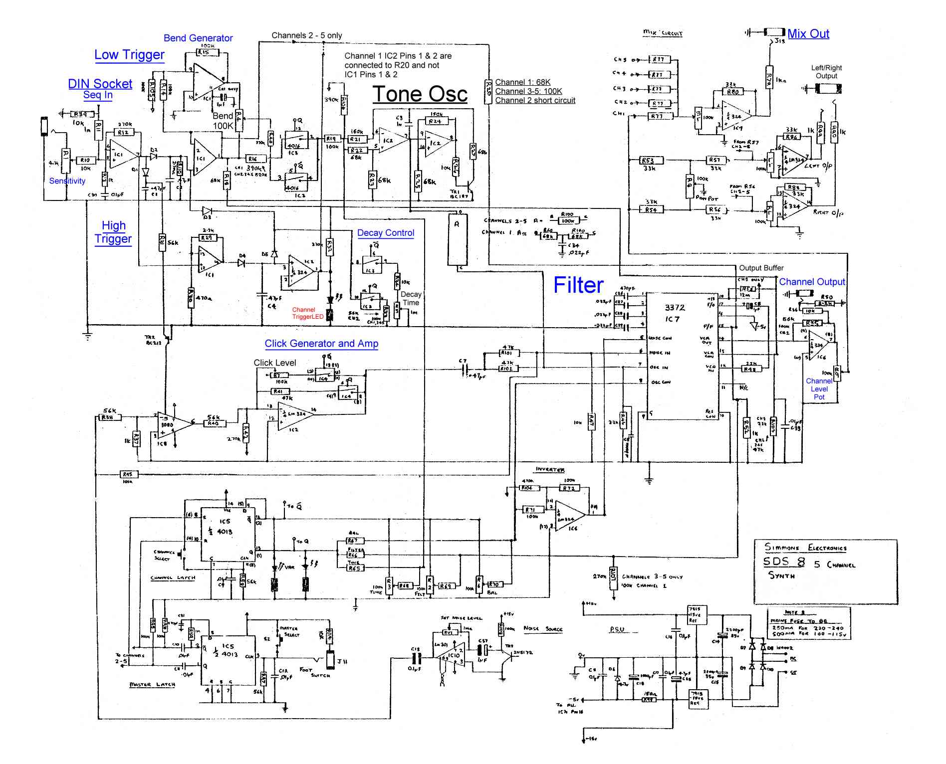
| /Manuals/ | SDS8 schematic.jpg |
|
SDS8 schematic | 224.5 KB | Open |
| /Manuals/ | SDS8_SeqPinout_1.JPG |
|
SDS-8 Sequencer Input Pinout | 59.8 KB | Open |
| /Manuals/ | SDX XSEQ Manual.pdf | SDX Sequencer Operation Manual | 2.4 MB | Open | |
| /Manuals/ | Simmons-SDS9 - Owners Manual1.pdf | SDS9 User Manual - part1 | 3.5 MB | Open | |
| /Manuals/ | Simmons-SDS9 - Owners Manual2.pdf | SDS User Manual - part 2 | 4.8 MB | Open | |
| /Manuals/ | SimmonsSDX.pdf | SDX Manual | 3.4 MB | Open | |
| /Manuals/ | sds800.zip | ZIP | sds800 schematics | 490.9 KB | Open |
| /Manuals/ | sds8_manual_1.pdf | SDS8 Operating instructions page 1-6 | 3.3 MB | Open | |
| /Manuals/ | sds8_manual_2.pdf | SDS8 Operating instructions page 7-11 | 1.9 MB | Open | |
| /Manuals/ | simmons_mtm_service_manual.zip | ZIP | Simmons MTM service manual | 976.1 KB | Open |
| /NVRAM update for SDS7/ | nvram.BIN | BIN | Eprom image of battery backed RAM contents | 20.0 KB | Open |
| /NVRAM update for SDS7/ | nvram_update.txt | TXT | Information about replacing the battery back ram chips with nonvolatile sram. | 5.2 KB | Open |
| / | Noise SDS7.wav | WAV | SDS7 "Noise" filter wide open. | 785.0 KB | Open |
| /OS Roms/ADT/ | ADT1-3 PROM.bin | BIN | ADT 1.3 PROM | 64.0 KB | Open |