On Wed, 10 Apr 2002, J. Larry Hendry wrote:
of both sections, but that requires both res. controls set to 10 *and*
some additional res. CV applied. This was the best way I could figure to
deal with the CS-50/60/80's individual res. controls and the 'global' res.
control ('global' control became the res. CV jack).
"instant gratification" module. You have to tweak it to find a 'sweet
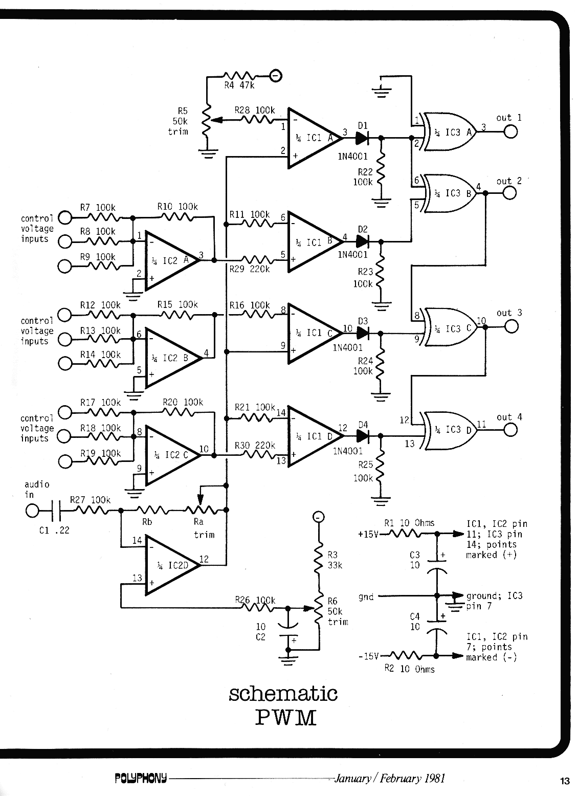
spot'. Here is Anderton's article on his PWMult:
http://www.oldcrows.net/~oldcrow/schemos/CA-PWM_01.GIF
http://www.oldcrows.net/~oldcrow/schemos/CA-PWM_02.GIF
It is the attack phase of a string sound (not brass) that this sort of
module would assist: one can select a 'burst' of harmonics that dissipate
in a controlled order after the trigger arrives.
Also: Larry's Magic Buss is really nice. Takes one session with patch
cables to figure out. The cabinet Larry had built was made with the buss
in mind--I want several of these for myself.
Crow
/**/
> > Boy, it sure is quiet on the list. A question forI prefer the word 'subtle'. You can get a fair amount of resonance out
> > anyone who attended AHMW: how were the
> > new MOTM modules - 480, 125, etc?
> 480 filter = Exictingly bland, if that makes sense. The filter is not mean,
of both sections, but that requires both res. controls set to 10 *and*
some additional res. CV applied. This was the best way I could figure to
deal with the CS-50/60/80's individual res. controls and the 'global' res.
control ('global' control became the res. CV jack).
> 125 pulse wave multiplier = unique. Being relatively new to modular use IWhat I call the 125 (Paul may elect to use another number) is not an
"instant gratification" module. You have to tweak it to find a 'sweet
spot'. Here is Anderton's article on his PWMult:
http://www.oldcrows.net/~oldcrow/schemos/CA-PWM_01.GIF
http://www.oldcrows.net/~oldcrow/schemos/CA-PWM_02.GIF
It is the attack phase of a string sound (not brass) that this sort of
module would assist: one can select a 'burst' of harmonics that dissipate
in a controlled order after the trigger arrives.
Also: Larry's Magic Buss is really nice. Takes one session with patch
cables to figure out. The cabinet Larry had built was made with the buss
in mind--I want several of these for myself.
Crow
/**/