Files
Files in /constant amplitude random gen/
| Folder | Title | Description | Size | Asset |
|---|---|---|---|---|
| /constant amplitude random gen/ | constant amplitude random function generator | by Hellwarth, from the electronic defense group, university of michigan 1957 | 111 B | Open |
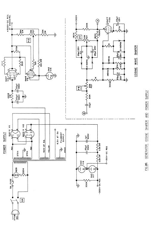
| /constant amplitude random gen/ | constant amplitude random function generator PSU & cosine.jpg | 46.7 KB | Open | |
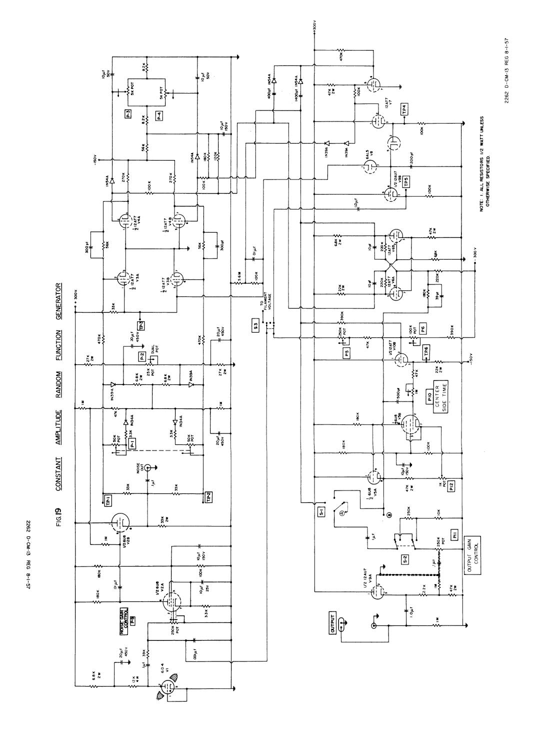
| /constant amplitude random gen/ | constant amplitude random function generator.jpg | 145.3 KB | Open | |
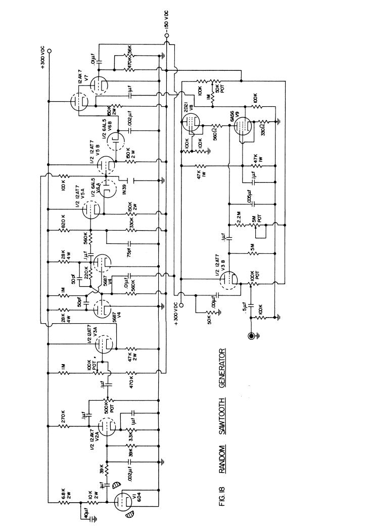
| /constant amplitude random gen/ | sawtooth generator.jpg | 78.5 KB | Open |
