Hi,
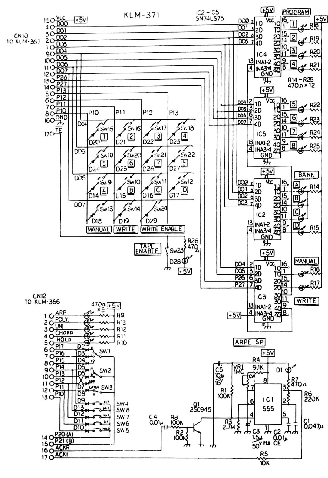
I attach the schema that I found on the web. Then, through carefully comparing this with the PCB, I found that the switches SW4, SW8, SW7, SW6, SW5 in the bottom left corner, are the tactile switches for ARP, POLY, UNI, CHORD, HOLD respectively.
From there should be able to see that e.g. the POLY switch pulls down the net P14 through D13, whenever net P20 is pulled down by the CPU. So you need to trigger your scope on the falling edge of P20, to then monitor if the state of P14 changes to LOW while you press the switch.
Good luck.
