[sdiy] Datasheet Toshiba TA7505M / modern replacement

Florian Anwander fanwander at mnet-online.de
Sat Jan 4 16:27:53 CET 2025


Hello,

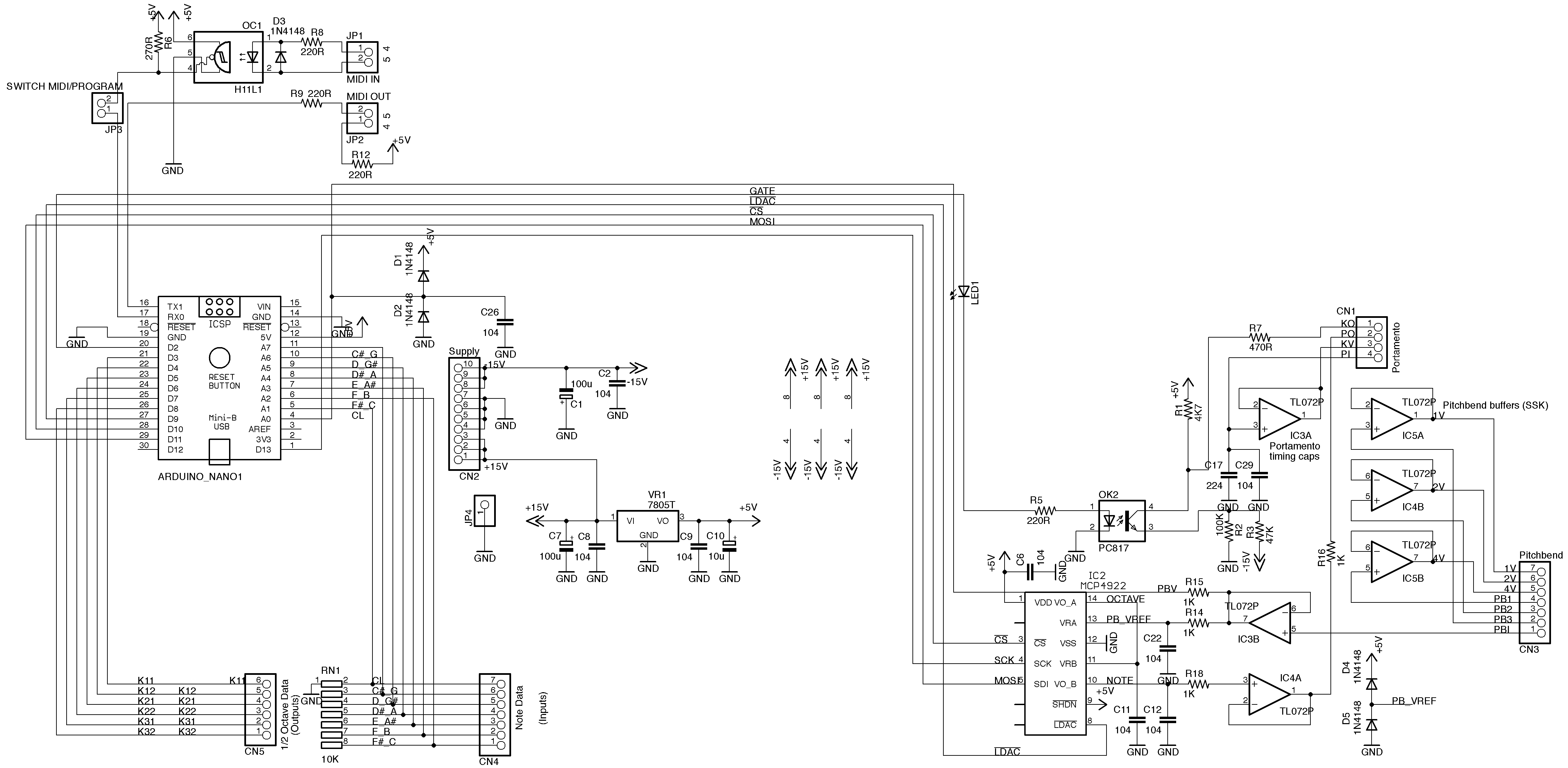
I built a replacement for the SSK board in a Yamaha CS15, essentially 
using Old Crow's approach. My schematic is here:
https://florian-anwander.de/yamaha_cs15/CS15_SSK_FA__Nano_2_sch.png
The original schematic is here:
https://florian-anwander.de/yamaha_cs15/Yamaha_CS-15_Servicemanual.pdf

Everything works perfectly. Only after switching on, VCO2 plays in an 
extremely wide range, while VCO1 only plays over one octave across the 
entire keyboard. I can "cure" this by briefly interrupting the CV 
connection to VCO1.

The difference between the two VCOs is that the TA7505M OpAmp, which 
provides the buffering for the portamento circuit, is connected directly 
to the IG00153 of VCO1; while for VCO2 there is an additional OpAmp 
stage before the IG00153 that provides the detune voltage. In my circuit 
I use a TL072 instead of the Toshiba TA7505M.

Now I am looking for the datasheet of the TA7505M to find out what could 
cause the problem. There doesn't seem to be the datasheet on the web.

Do any of you have a Toshiba Databook from the late 70s? Or does anyone 
have an idea how I could solve the problem in a simple way without 
having to make a new board (it is clear that I could also put a buffer 
in front of the IG00153).


Best regards
Florian

-- 
http://www.florian-anwander.de/
-------------- next part --------------
An HTML attachment was scrubbed...
URL: <http://synth-diy.org/pipermail/synth-diy/attachments/20250104/61beb1f0/attachment.htm>


More information about the Synth-diy mailing list