[sdiy] DAC/REF Data sheet / Dev board R question

rsdio at audiobanshee.com rsdio at audiobanshee.com
Sun Apr 26 01:41:59 CEST 2015


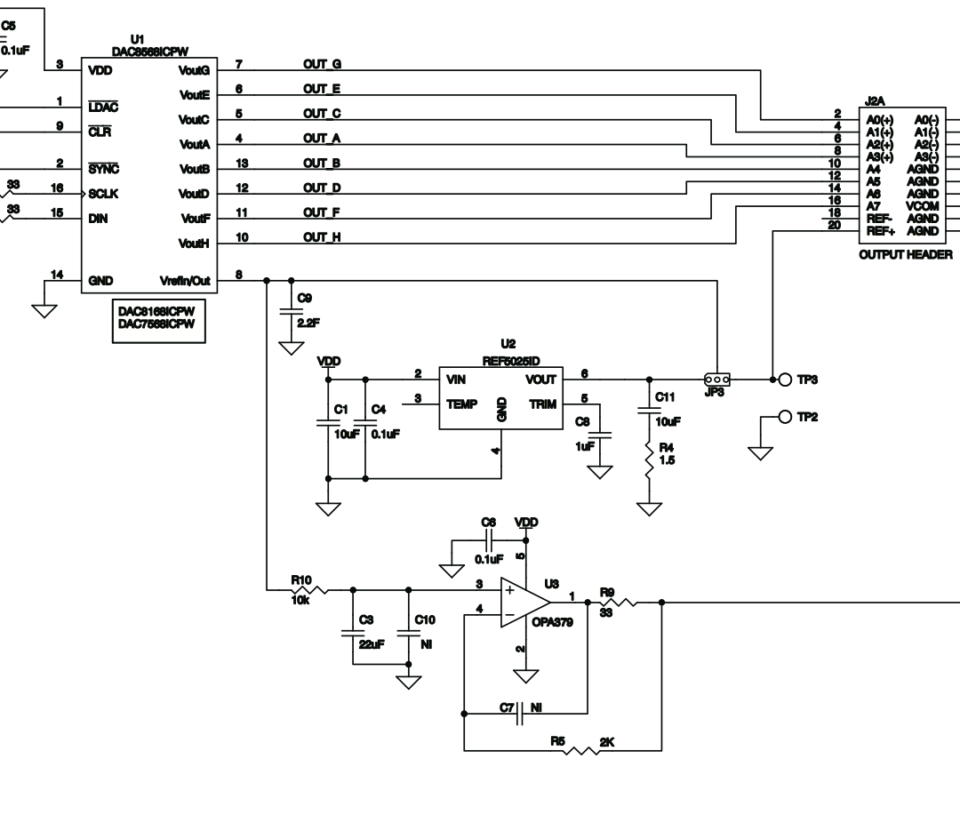
I say that you not only can safely get rid of this resistor, but that you should get rid of it! I don't see how it can do anything but harm.

I was going to mention that I've shipped a design based on the REF5025 that doesn't use this R4, but I notice that I substituted the Maxim MAX6192A part as a cheaper equivalent. Actually, my Bill of Materials allows either part in case availability or price changes in the future. I'm using only 4.7 uF for C11, but there is not R4 in my circuit, either. By the way, I'm using this as a reference for the ADS7951SB - an 8-channel 1 MHz 12-bit A/D converter.

Brian Willoughby
Sound Consulting


On Apr 25, 2015, at 6:29 AM, Justin Owen <juzowen at gmail.com> wrote:
> In this screen shot from the data sheet for the TI DACxx68 Evaluation Module...
> 
> http://www.sdiy.org/juz/REF_DAC_01.png
> 
> C11 has a 1R5 R between it and ground.
> 
> Can anyone suggest what purpose that R might be serving?
> 
> I guessed it might be something to do with TP3/TP2 being external/outside world connections - but couldn't get further than that. 
> 
> Obviously - the other question is can I safely get rid of it? On my current proto I've pulled it without any adverse effects - but now the paranoia has start to set in!
> 
> Thanks,
> 
> - Justin
> 




More information about the Synth-diy mailing list