[sdiy] High frequency VCO as BBD clock

mark verbos markverbos at gmail.com
Fri Feb 10 11:07:05 CET 2023


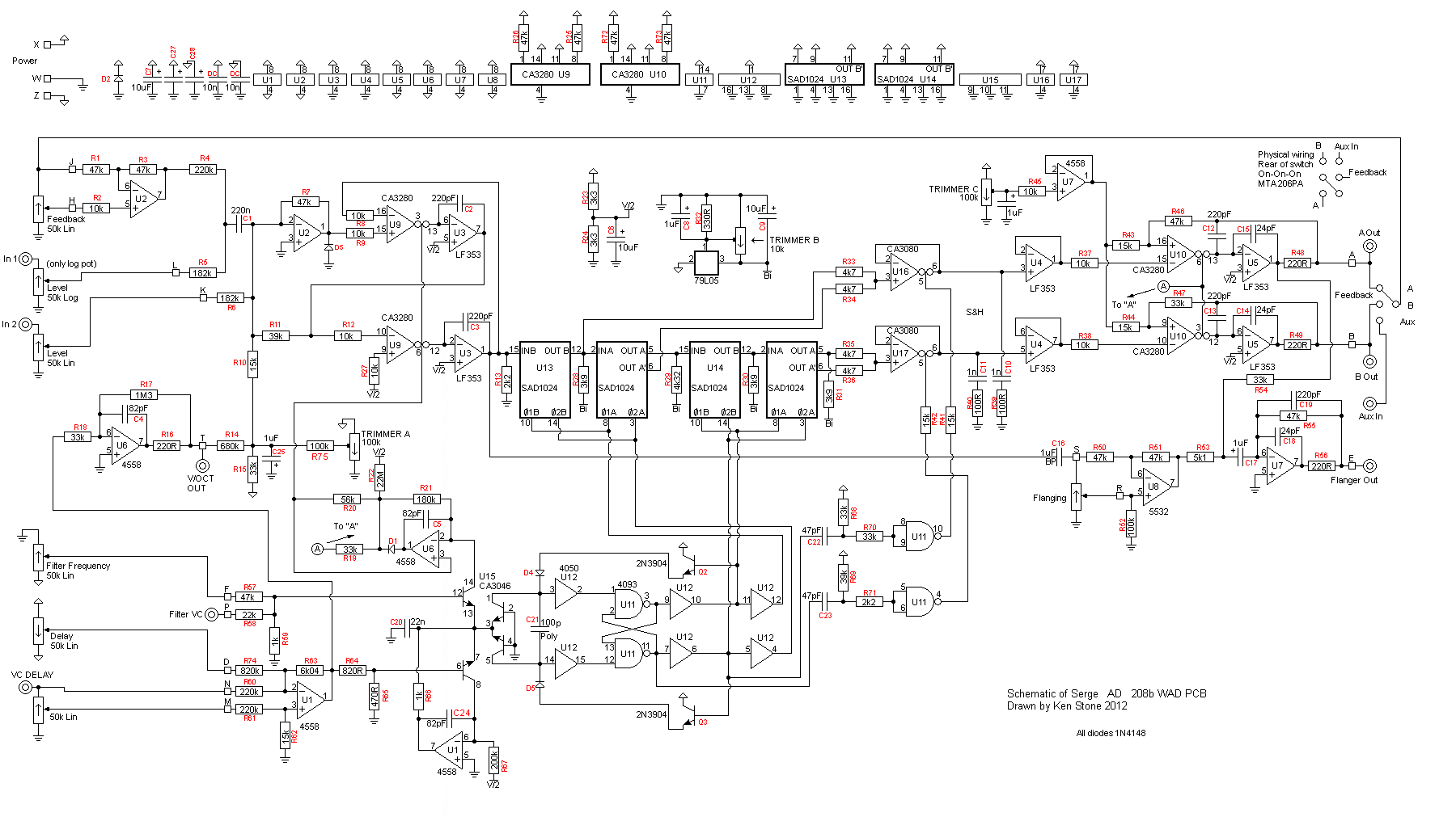
Kinda off the subject, but I find it really hard to believe the way the taps are coming off of those BBDs. The long looks ok, but….

Mark




> On Feb 9, 2023, at 8:13 PM, S Ridley via Synth-diy <synth-diy at synth-diy.org> wrote:
> 
> The Serge WAD (Wilson Analog Delay) might be worth a look - high frequency VCO driving two SAD1024s.
> 
> https://www.elby-designs.com/webtek/cgs/serge/cgs208/cgs208_schematic.gif <https://www.elby-designs.com/webtek/cgs/serge/cgs208/cgs208_schematic.gif>
> 
> Spec says delays down to 0.5mS, dunno how well it tracks.  HF VCO is expo converter driving a CMOS oscillator.
> 
> Steve
> 
>  
> 
> On Tue, 7 Feb 2023 at 18:21, Rutger Vlek via Synth-diy <synth-diy at synth-diy.org <mailto:synth-diy at synth-diy.org>> wrote:
> Dear list,
> 
> For a while I've been working on a guitar pedal board for personal use. I'm about to build the second revision of a solid state pre-amp, and was thinking about possible modulation effects too. I would love a nice (stereo) BBD flanger/chorus, but felt a bit fed-up with all the 'classic' designs, particularly the traditional clocking scheme, usually with a limited range, lack of current drive (to overcome capacitance of the BBD clock input) and strictly linear modulation (calling for a hyper-triangle modulation source).
> 
> Having some experience with designing saw- and tri-core VCO's around the 2164, I was wondering how easy it would be to push the design of a typical tri-core VCO with an 2164-based expo converter into higher frequencies (let's say up to 500kHz) and use it to clock a BBD? Has anyone tried? Or are there fundamental reasons why such frequencies are not possible? I've never (intentionally) worked with circuits outside of the audio bandwidth...
> 
> Rutger
> _______________________________________________
> Synth-diy mailing list
> Synth-diy at synth-diy.org <mailto:Synth-diy at synth-diy.org>
> http://synth-diy.org/mailman/listinfo/synth-diy <http://synth-diy.org/mailman/listinfo/synth-diy>
> Selling or trading? Use marketplace at synth-diy.org <mailto:marketplace at synth-diy.org>
> _______________________________________________
> Synth-diy mailing list
> Synth-diy at synth-diy.org
> http://synth-diy.org/mailman/listinfo/synth-diy
> Selling or trading? Use marketplace at synth-diy.org

-------------- next part --------------
An HTML attachment was scrubbed...
URL: <http://synth-diy.org/pipermail/synth-diy/attachments/20230210/dffbba20/attachment.htm>


More information about the Synth-diy mailing list