[sdiy] Buchla vactrol-based morphing/crossfade/panning

mark verbos mverbos at earthlink.net
Tue Sep 15 01:30:57 CEST 2009


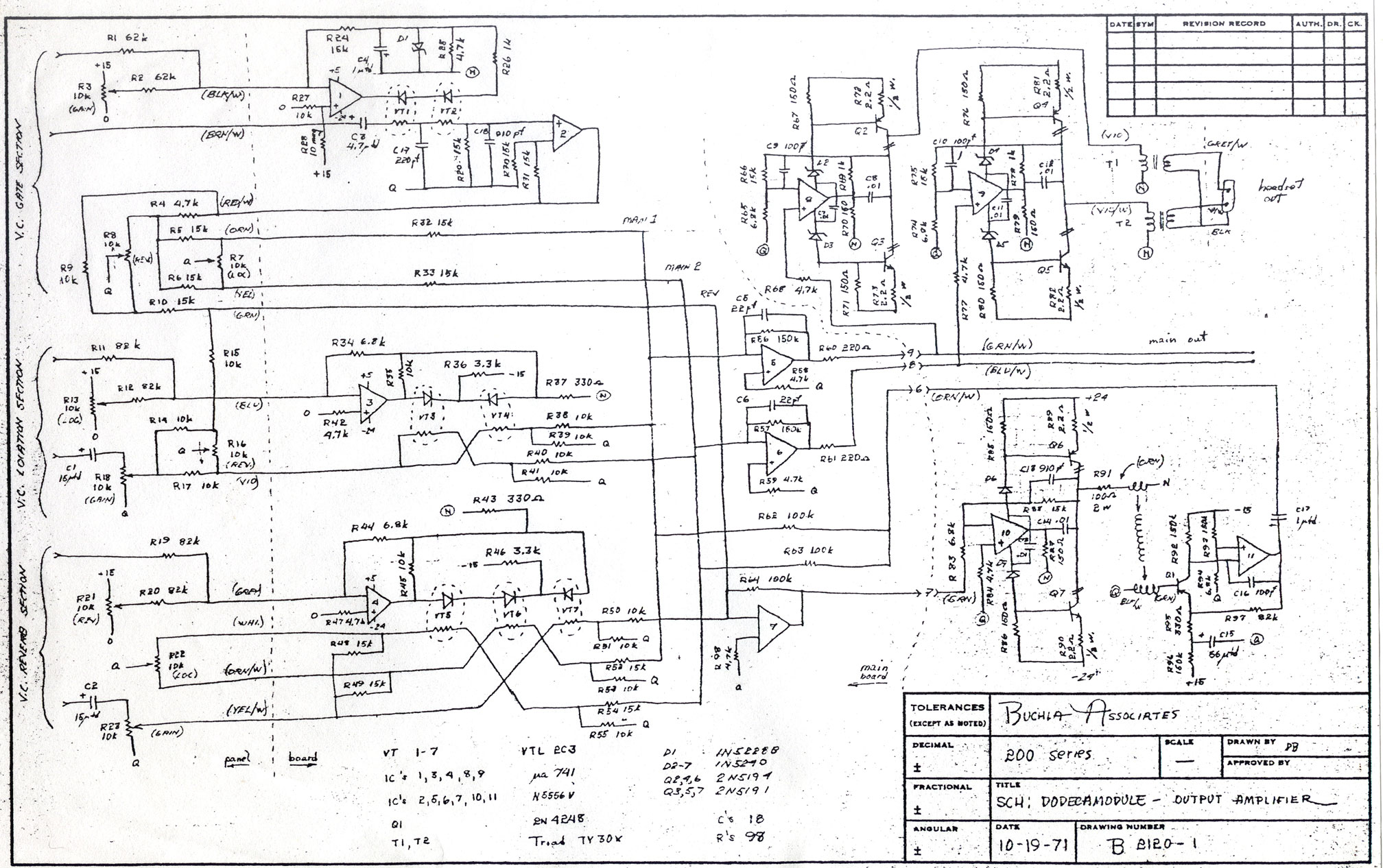
http://www.synthfool.com/docs/Buchla/dodecaoutput.jpg

This was the older way to do panning, with an opamp instead of 2  
transistors.  Using the VTL5C3/2 dual vactrol adds a bit of curve.
  Don't ask me why he put the reverb crossfader after the pan pot,  
requiring 3 vactrols in that section...

Mark




On Sep 14, 2009, at 6:52 PM, Tim Stinchcombe wrote:

> Hi list,
>
> I'm trying to track down the source circuits these two have come  
> from, as
> they appear to be edited-down Buchla schematics:
>
> http://www.simple-answer.com/vac-crossfader.jpg
>
> http://www.simple-answer.com/vac-panner.jpg
>
> (Both from Mark Verbos's site:
> http://www.simple-answer.com/DIY.html)
>
> There are similarities with the 207 mixer (at Kevin Lightner's site):
>
> http://www.synthfool.com/docs/Buchla/
>
> but I'm kind of thinking there are more Buchla circuits out there  
> doing
> similar things with vactrols, which I'd like to find out about - can  
> anyone
> point me in the right direction?
>
> Thanks in advance,
> 	Tim
> __________________________________________________________
> Tim Stinchcombe
>
> Cheltenham, Glos, UK
> email: tim102 at tstinchcombe.freeserve.co.uk
> www.timstinchcombe.co.uk
>
>
>
>
> _______________________________________________
> Synth-diy mailing list
> Synth-diy at dropmix.xs4all.nl
> http://dropmix.xs4all.nl/mailman/listinfo/synth-diy




More information about the Synth-diy mailing list