[sdiy] MG-1 Mods (patching it out) - schematic

mmanard at columbus.rr.com mmanard at columbus.rr.com
Fri Jul 1 14:23:38 CEST 2005


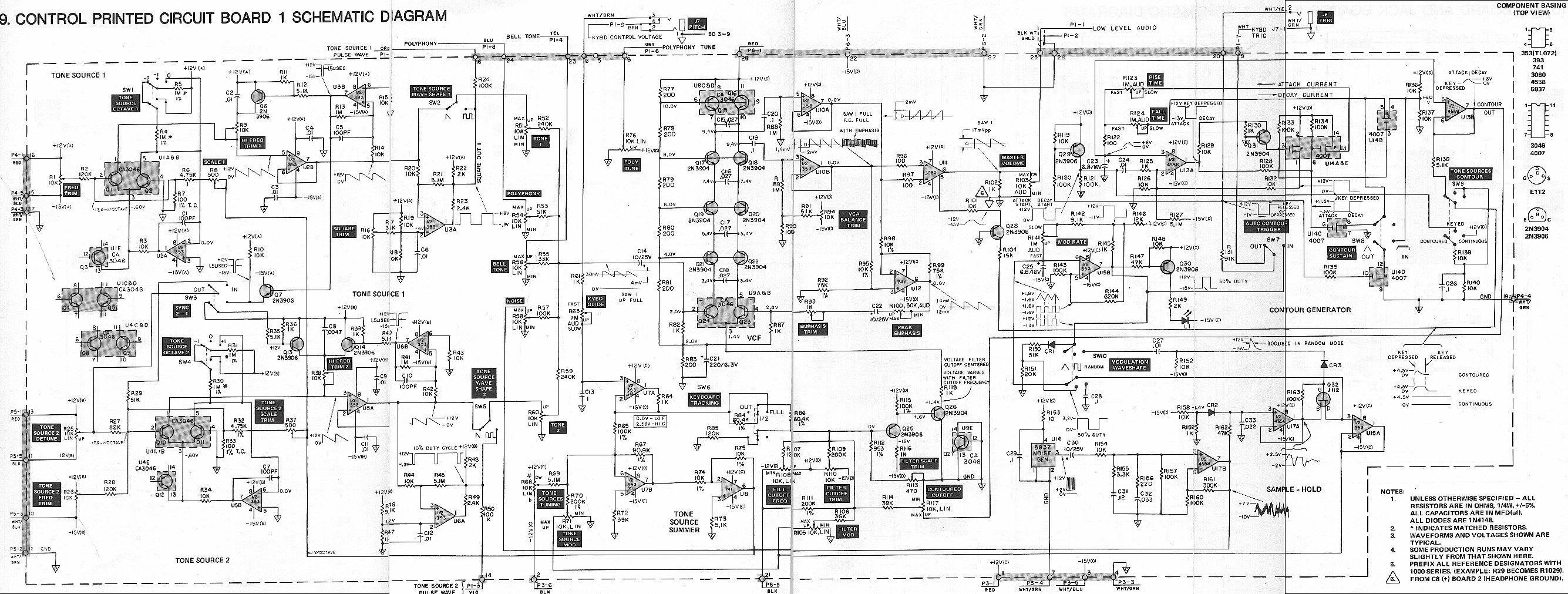
I don't want to tax his site for the schemo - I put it on my site here:
http://www.pressurepenetration.com/mg1_control.jpg

- Michael nil-x
- Pressure : Penetration

----- Original Message -----
From: mmanard at columbus.rr.com
Date: Friday, July 1, 2005 7:38 am
Subject: [sdiy] MG-1 Mods (patching it out)

> I have a second Moog Mg-1 and the keys and sliders are all but 
> destroyed, but otherwise it works. I'm going to put it behind a 
> new 
> panel/case and mod as much as I can think of possibly patching it 
> out. 
> I'm thinking of adding an ADSR and an Analog Noise (white/pink/low 
> freq) from the asr-1 schem.
> 
> Anyways to my question:
> I still want to use the AD(R) generator onboard too but I've found 
> a 
> small issue. The output on the EG is never 0v - it is always about 
> .5v  
> which is fine for most mod routings but I wanted to route it to 
> the 
> OSC2 freq which makes it slightly go sharp. Any ideas how to 
> correct 
> this?
> 
> I'm getting the EG output from Pin 6/7 of U13.
> 
> Here's the schematic:
> http://www.geocities.com/gallomagnetix/mg1_control.jpg
> 



More information about the Synth-diy mailing list