The Magnus phase shifter

Don Tillman don at till.com
Fri Sep 22 07:57:14 CEST 2000


   From: Haible Juergen <Juergen.Haible at nbgm.siemens.de>
   Date: Thu, 21 Sep 2000 14:39:55 +0200

   Is the Chroma circuit on the web somewhere ?

Give me a second...

It is now.  

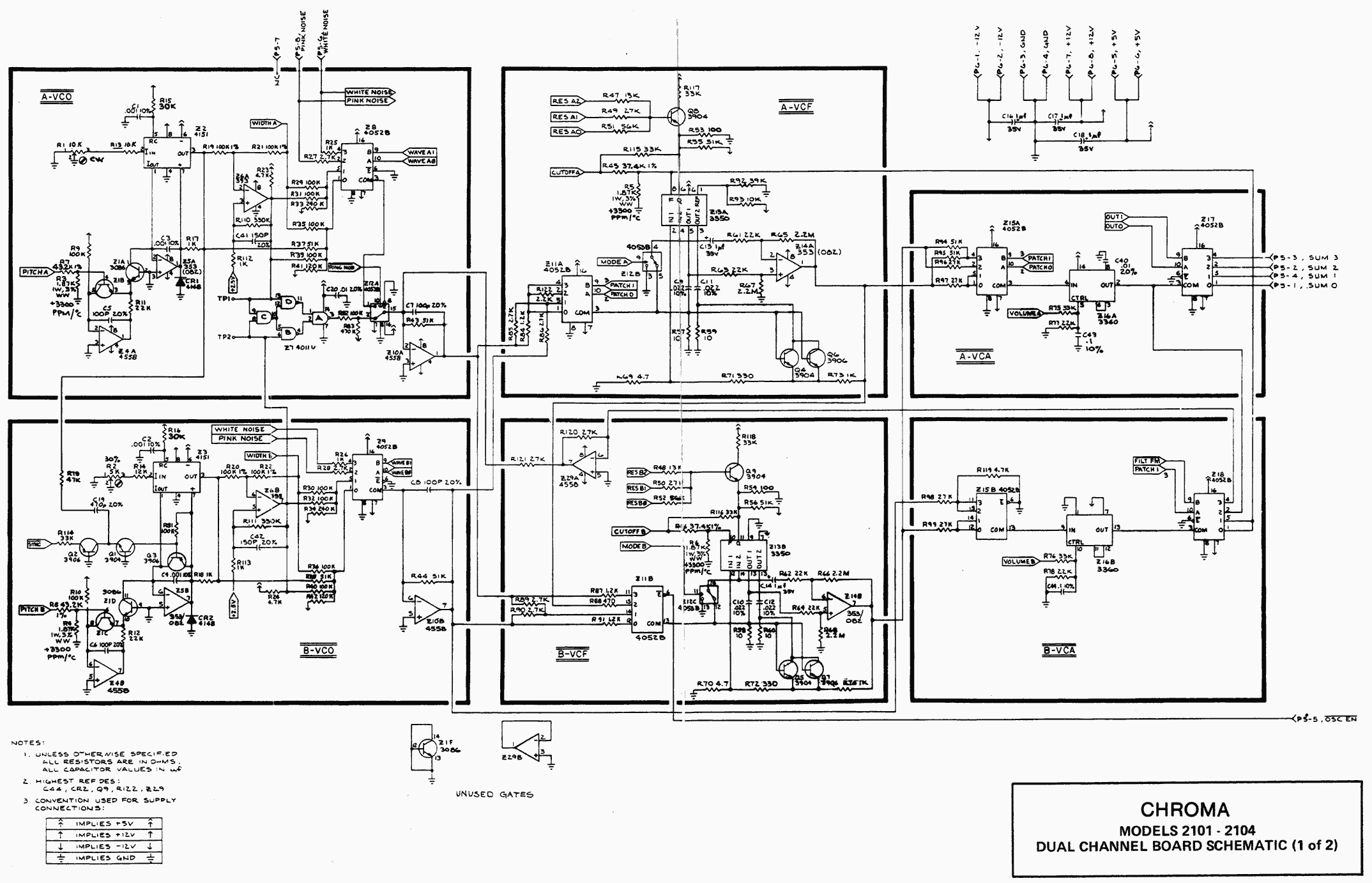
This is the "dual channel" card; two synth channels that are designed
to be used as a pair with interesting coupling connections between
them (oscillator sync, ring modulation, filters in series, etc).  The
Chroma has eight of these cards.

  http://www.till.com/articles/arp/images/chroma-dual-channel-1.gif
  http://www.till.com/articles/arp/images/chroma-dual-channel-2.gif

(Several scans pasted together in Photoshop, tweaked the grayscale
curves to make it pretty, gif format, four levels of gray.)

Cool things to note:
  The waveform mux chooses white noise, pink noise, a pwm square wave
  with dc restoration, a phase shifted sawtooth mixed with the original
  sawtooth.

  The VCO uses a charge pump (!!!) to discharge the cap without any
  high frequency linearity issues.

  The control voltages can be set immediately or through an RC
  filter to eliminate most zipper noise.

Also, check out the web's best Chroma site:
  http://www.redrooffs.com/chroma/

  -- Don

-- 
Don Tillman
Palo Alto, California, USA
don at till.com
http://www.till.com





More information about the Synth-diy mailing list